使いやすさが自慢の半自動機
低電力操作性安全性を重視した半自動型ストレッチ包装機
消費電力を抑えたエコな商品。
扱い易いスイッチ類で誰でも操作できます。
簡単操作でメンテナンス性にも優れた安全設計。
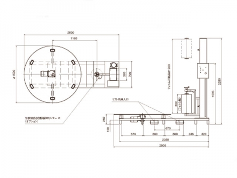
リフトの爪差込口付きなので、移動もできます。
包装物高さ自動検知センサー(オプション)

ストレッチ包装機半自動タイプ
操作パネルには
手動操作用ボタン
自動運転ボタン
テーブル回転速度調整ボリューム
フィルムキャリア上下速度調節ボリューム

ストレッチ包装機半自動タイプ
探そう。物流・包装・梱包プラットホーム

使いやすさが自慢の半自動機
低電力操作性安全性を重視した半自動型ストレッチ包装機
消費電力を抑えたエコな商品。
扱い易いスイッチ類で誰でも操作できます。
簡単操作でメンテナンス性にも優れた安全設計。
リフトの爪差込口付きなので、移動もできます。
包装物高さ自動検知センサー(オプション)

ストレッチ包装機半自動タイプ
操作パネルには
手動操作用ボタン
自動運転ボタン
テーブル回転速度調整ボリューム
フィルムキャリア上下速度調節ボリューム

ストレッチ包装機半自動タイプ